Skip to Content

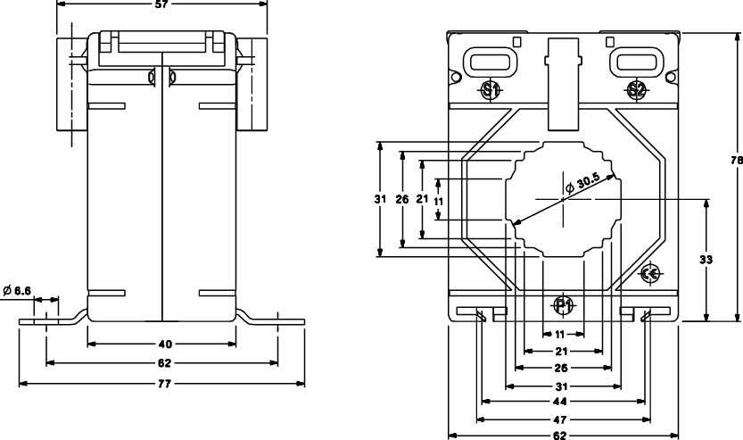
Трансформатор струму ETI CTR-30 300/5 5VA CL.0,5

https://victronenergy.com.ua/web/image/product.template/25236/image_1920?unique=b3468cf

Особливості:

  • Категорія: Трансформатор струму
  • Потужність (ВА): 10
  • Первинний струм: 300
  • Вторинний струм (А): 5
  • Клас точності: 0,5 
  • Вага продукту: 0.365  kg
  • Модель/Виконання: Трансформатори струму з вікном
  • Діаметр отвору: 30,5mm
  • Приєднання вторинної обмотки: Гвинтове з`єднання

32,26 € 32.26 EUR 32,26 €

Недоступний для продажу

  • Виробник

Ця комбінація не існує.

Терміни та умови
30-денна гарантія повернення коштів
Доставка: 2-3 робочих дні

Специфікації

Виробник ETI